Download the manual in PDF now -

This page is for students that are taking ENGR 453 at SFSU only. This is my good deed for this year.

First off, this part covers the lab with the schmitt-trigger, astable multivibrator and so forth, which I believe was label lab 2. In this lab, the first few parts are very easy to use. So I will only refer to some parts that caused me some problems when I was doing them. For those who is reading this crap, keep in mind, I talk to Dr. Franco and your lab instructor regularly and that they both have a copy of my lab, if you just copy and paste the images into your report, they will know. And if that does happens, this part of the site will go crashing down immediately.

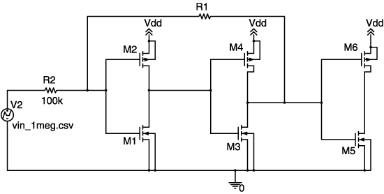
I don't want to do all the work for the you guys, so all I'm including on this page is the input and output voltage I measured in lab for part 7 (Schmitt-trigger) shown in fig. 1, they are both in CSV format. To use these file, use a PWL_Filename part (This part is located under the source library) in series with a 1K resistor.

Fig. 1 - Schmitt-trigger circuit

As you can see, I am putting the file vin_1meg.csv as the input to the schmitt-trigger, corresponding to the resistive value of R1. To show the experimental value at the output, the circuit shown in Fig. 2 is used. As you can see, the PWL is connected to a series resistor. The value of the resistor can be any value, but I generally use a 1k ohm.

Fig. 2 - Using the PWL thing

I have put the two files in a ZIP file. The ZIP file also include my PMOS and NMOS model. Any complaints, screams, or just plain bitching, send them on over to me at tinmancp@ix.netcom.com

The ZIP file.

ENGR453.zip and of course, my crappy lab report engr453.pdf